Corriere espresso in 24/48 ore. Info  

Ordini telefonici e assistenza
049.9830129
Articoli aggiunti di recente ×

Non hai articoli nel carrello.

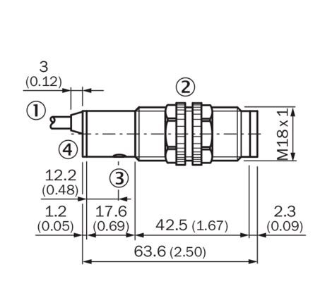
VT18-2P4112 SICK fotocellula a tasteggio diretto custodia in plastica M18 uscita cavo 2 mt

VT18-2P4112 SICK AG Germania prodotto nuovo imballo originale busta plastica sigillata Codice prodotto 6011611 Fotocellula a tasteggio diretto sul materiale , distanza di lavoro 100 mm, custodia cilindrica filettata M18X1 in plastica, uscita a conettore M12 4 poli, funzionamento scatto chiaro/scuro selezionabile da collegamento elettrico, alimentazione da 10 a 30 VDC, Caratteristiche Tipologia di sensore / principio di rilevamento Sensore fotoelettrico energetico, Lunghezza 70 mm Diametro filettatura (Housing) M18 x 1 Asse ottico Assiale Distanza max. di rilevamento 3 mm ... 100 mm 1) Distanza di rilevamento 3 mm ... 90 mm Focus 2) Natura della luce Luce infrarossa Sorgente luminosa LED 3) Dimensioni punto luminoso (distanza) Ø 3 mm (50 mm) Impostazione Nessuno o 1) Oggetto con il 90% di remissione (riferito al bianco standard, DIN 5033). o 2) Focalizzato, focus in 50 mm. o 3) Durata media 100.000 h con TU = +25°°C. Caratteristiche meccaniche ed elettriche Tensione di alimentazione 10 V DC ... 30 V DC 1) Ripple residuo ≤ 10 % 2) Consumo di corrente 30 mA 3) Uscita di commutazione PNP 4) Tipo di commutazione Funzionamento light on/dark on 4) Modalità di commutazione selezionabile Selezionabile attraverso cavo di controllo L/D Corrente di uscita Imax. 100 mA Tempo di risposta ≤ 2 ms 5) Frequenza di commutazione 250 Hz 6) Tipo di collegamento cavo 2 mt Classe di protezione III Peso 100 g Materiale della custodia Plastica, PBT/PC Materiale, ottica Plastica, PMMA Grado di protezione IP67 Versioni speciali Ottica focalizzata Temperatura ambiente di funzionamento –25 °C ... +70 °C UL-File-Nr. NMFT2.E175606
37,58 €

Disponibile (40 a magazzino)

  • Acquista 10 a 27,00 € ciascuno e risparmia 28%
-
+
(pezzi)
  • 14 giorni per il reso
  • Spedizione entro il 24/12/25
  • Modalità di pagamento: Bonifico Bancario Paypal Visa Postepay Maestro Mastercard Carta Aura Discover American Express

  • Possibilità di ritiro in negozio
  • Garanzia 24 mesi
  • Qualità e convenienza

Dettagli VT18-2P4112 SICK fotocellula a tasteggio diretto custodia in plastica M18 uscita cavo 2 mt

Dettagli

Descrizione No
Descrizione sartore N/A
Descrizione breve VT18-2P4112 SICK AG Germania prodotto nuovo imballo originale busta plastica sigillata Codice prodotto 6011611 Fotocellula a tasteggio diretto sul materiale , distanza di lavoro 100 mm, custodia cilindrica filettata M18X1 in plastica, uscita a conettore M12 4 poli, funzionamento scatto chiaro/scuro selezionabile da collegamento elettrico, alimentazione da 10 a 30 VDC, Caratteristiche Tipologia di sensore / principio di rilevamento Sensore fotoelettrico energetico, Lunghezza 70 mm Diametro filettatura (Housing) M18 x 1 Asse ottico Assiale Distanza max. di rilevamento 3 mm ... 100 mm 1) Distanza di rilevamento 3 mm ... 90 mm Focus 2) Natura della luce Luce infrarossa Sorgente luminosa LED 3) Dimensioni punto luminoso (distanza) Ø 3 mm (50 mm) Impostazione Nessuno o 1) Oggetto con il 90% di remissione (riferito al bianco standard, DIN 5033). o 2) Focalizzato, focus in 50 mm. o 3) Durata media 100.000 h con TU = +25°°C. Caratteristiche meccaniche ed elettriche Tensione di alimentazione 10 V DC ... 30 V DC 1) Ripple residuo ≤ 10 % 2) Consumo di corrente 30 mA 3) Uscita di commutazione PNP 4) Tipo di commutazione Funzionamento light on/dark on 4) Modalità di commutazione selezionabile Selezionabile attraverso cavo di controllo L/D Corrente di uscita Imax. 100 mA Tempo di risposta ≤ 2 ms 5) Frequenza di commutazione 250 Hz 6) Tipo di collegamento cavo 2 mt Classe di protezione III Peso 100 g Materiale della custodia Plastica, PBT/PC Materiale, ottica Plastica, PMMA Grado di protezione IP67 Versioni speciali Ottica focalizzata Temperatura ambiente di funzionamento –25 °C ... +70 °C UL-File-Nr. NMFT2.E175606
Codice prodotto VT18-2P4112 p.n. 6011610
Codice art1 VT18-2P4112 p.n. 6011610
Codice produttore 6011610
Codice a barre 3
Pezzi per scatola 1
Codice prodotto VT18-2P4112 p.n. 6011610
Marca SICK

Spedizioni veloci

 

Assistenza

Pre e post vendita

Sicurezza al 100%

con carte e Paypal

Offerte speciali

con sconti fino al 50%